行业知识

阀门定位器调试方法简介

2024-12-23 19:47:29 时博体育官方,时博体育登录

阀门定位器调试方法简介


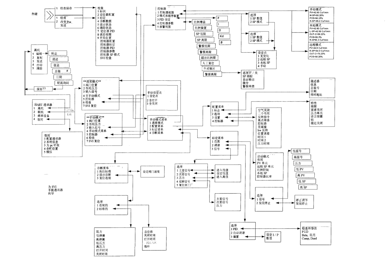
1、阀门定位器上有三个按钮(*、十、一),按任意键进入,屏幕显示为~OPER,按+或-选择依次为(这里+号)MAN、CONTROLLER、EXAMINE.

2、上述3显示至MAN时,按*键可至人工调整模式(POS-MAN),按+或-选择(CAL(校准)、CONFIG(开始用这里进}、CONTROLLER、EXAMINE、OPER).

3、CONFIG(配置)按*进入

1)SINGLE单作用、DOUBLE 双作用:

2)CONTROLLER 控制ON、OFF;

3)ATO气开(正常疏水}、ATC 气关{危急疏水};

4)LINEAR 线性50%、30%、QUICK、CUSTOM..;

5)TIGHT SHUT 强制关闭 ON/OFF;

6)LOPOSITION LIMIT ON/OFF;

7)HI POSITION LIMIT ON/OFF;

8)ENGLISH/FRANCIAS;9)MAN以上选择1-9用+或-修改用*到9后返回人工模式。

一般1根据实际决定;2选择OFF;3根据实际决定;4可不选择;5选择OFF如果选择ON在末端位置时容易偏差较大,等于完全把气放空,而不在控制之内:6选择ON:7选择ON:8选择ENGLISH。

4、CAL按*进入再用+或-,1)STOPS按*自动检测阀门全开和全关位置。2)STOPOP按*进入,阀门自动运行至全开位置,此时可用+或-调整。3)BOAS。4)TONE(调整}按*进入自动检测阀门动态参数。4)SIGLO设定多少信号显示0%。5)SIGH设定多少信号显示100%。就地不修改,DCS改。6)HIPRESSUREVALUE。7)MAN返回人工模式返回人工模式POSMAN选择至PER按*退出

图片关键词

图片关键词

操作原理

当仪器被设置成电动气动式的阀门定位器(图),SVI接收从控制器或其它器件来的4-20毫安电流的信号(也就是HART协议数字信号),并将输入信号与阀门位置输入信号相比较。输入与位置反馈之差被位置控制算法所调节,并被转换成气动信号。这个信号被气动放大器放大,并驱动执行器。当阀门位置值与位置设定点输入信号要求的值一致时,执行器不再移动系统保持稳定。

图片关键词

当仪器被配置成PID控制器(图 ),SVI接收本地的控制设置,(4-20 毫安的信号或HART 通信协议信号)。由过程变送器产生的初始的测量值,以1-5伏的直流电压信号供给控制器。预设值与过程测量值之差,受PID控制器演算和位置控制器演算双重调节,并被转换成气动信号。这个信号被气动放大器放大,并推动执行器。当初始测量值和设定点信号一致时,执行器不再移动,系统处于稳定控制中。

图片关键词

电子模块

电子模块包括电源,16位模/数转换器,12位模/数转换器,和微处理器。它根据从测量传感器接收的信号,用内部已程序化的定位器和/或过程控制演算法来计算所要输出。如果显示和按键已被选择,那么它就包含了这些功能的电子器件。

按键开关

三键式按键的操作连同显示允许读数和仪器操作参数的修正,而无需PC机和手提HART通讯器。这些按钮执行“通用”功能一增强、减弱、和通过常规菜单结构的移动来接收。这些按钮可以在危险的环境中操作而无需使用防火外壳。

图片关键词

EPC(电动-气动转换器)

EPC用以下方式转换电流信号和压力信号。在场中工作的线圈与一个挡板机械连接。当电流变化时,线圈的移动导致挡板移向喷嘴,并限制通过喷嘴的气流。这种限制作用导致喷管上反压力随着线圈电流增加而增加。

取走EPC的电源将导致输出压力的降低。这就确定了SV的启动和失效保护特性

滑阀

滑阀是一种双向空气导向阀,它能够提供和排出空气。受EPC控制的导向压力依次控制充填和排出执行器的气流的速率。

传感器(位置,压力和温度)

阀门阀杆的位置检测是采用一个内部安装的与阀杆机械连接的电位计的方法进行的。电位计的输出连接到电子模块,并提供了位置控制演算的输入信号。

电位计的电阻是10000欧姆,且具有120度的转动的全标尺位移,阀门全行程必须提供相对于参考位置最小18度*最大100度的转动。“开”或“关”的阀门设置建立了参考位置。

首页
产品
新闻
联系