全厂仪用压缩空气压力低处理措施-时博体育官方,时博体育登录北京
2022-09-08 时博体育官方,时博体育登录
北京时博体育官方,时博体育登录-变电站故障录波原理及文件分析
2022-09-07 时博体育官方,时博体育登录
江西时博体育官方,时博体育登录-变压器低压进线柜常见连接方式
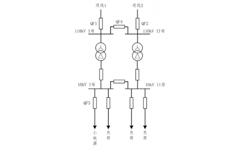
重庆时博体育官方,时博体育登录-小电源接入对备自投的影响
2022-09-06 时博体育官方,时博体育登录
北京时博体育官方,时博体育登录-配电室为什么要用绝缘垫?
为什么理论计算的预热器出口烟气量要比实测值小很多?-贵州时博体育官方,时博体育登录
北京时博体育官方,时博体育登录-励磁电流是如何进入发电机转子绕组的?
2022-09-05 时博体育官方,时博体育登录
汽轮机胀差和轴向位移知识分享-广东时博体育官方,时博体育登录