电力变压器 油与温度的故事
2022-08-24 时博体育官方,时博体育登录电气
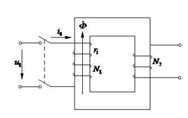
电压互感器与电流互感器的区别介绍
2022-08-22 时博体育官方,时博体育登录电气
无线测温系统在某项目的应用
2022-08-05 时博体育官方,时博体育登录
红外热成像仪铁路供电系统保障应用
2022-08-04 时博体育官方,时博体育登录
一台75kw的搅拌电机,用什么方式控制比较靠谱
2022-07-29 时博体育官方,时博体育登录电气
HCTM-5系列红外成像仪测温在电力变压器中的应用
2022-07-28 时博体育官方,时博体育登录电气
变压器绕组温度会低于油面温度吗?
2022-07-26 时博体育官方,时博体育登录电气
变压器励磁电流大小是否可以控制